Intelligent controlling constant current thyristor modules can regulate voltage and smooth down current, which have inner automatic regulating circuits, thyristor and phase-shift triggering circuits, current sample circuits and current regulating circuits.
1. Advanced technics and high quality
Using DCB(Direct Copper Bonded Ceramic Substrates) technics and import high performance chips and it makes the modules have long life time and up to 10,000 times of thermal cycling loader.
2. Easy and safe opeation
(1) Using 0-10V(or 0-12V) DC signal can regulate the output voltage and current smoothly.
(2) Easily controlled by hand, instrument or microprocessor.
(3) Triggering circuit systems and thyristors and thermal conductive bagaplates are isolated each other and the insulated strength is greater than 2500V.
(4) No limited for phase series in AC input of 3-phase modules.
(5) Suitable for resistance load
Intelligent controlling thyristor modules have two types: common constant current modules and special constant current modules. The precision of common constant current modules is less than 3 percent . The precision of special constant current models is greater than that of common constant current modules because of their specific design and high current sample precision.
Specifications and types of common constant current modules, see table 1 and table 2.
Table 1
|
Name |
Type |
Specification |
|
3-phase rectifier constant current |
MZKS-ZL-WL-2400 |
2400A 450V |
|
MZKS-ZL-WL-1800 |
1800A 450V |
|
|
MZKS-ZL-WL-1200 |
1200A 450V |
|
|
MZKS-ZL-WL-800 |
800A 450V |
|
|
MZKS-ZL-WL-600 |
600A 450V |
|
|
MZKS-ZL-WL-400 |
400A 450V |
|
|
MZKS-ZL-WL-200 |
200A 450V |
|
|
MZKS-ZL-WL-100 |
100A 450V |
|
|
MZKS-ZL-WL-50 |
50A 450V |
|
|
MZKS-ZL-WL-25 |
25A 450V |
|
|
3-phase AC constant current modules |
MZKS-JL-WL-1800 |
3×1800A 450V |
|
MZKS-JL-WL-1350 |
3×1350A 450V |
|
|
MZKS-JL-WL-900 |
3×900A 450V |
|
|
MZKS-JL-WL-600 |
3×600A 450V |
|
|
MZKS-JL-WL-450 |
3×450A 450V |
|
|
MZKS-JL-WL-300 |
3×300A 450V |
|
|
MZKS-JL-WL-150 |
3×150A 450V |
|
|
MZKS-JL-WL-75 |
3×75A 450V |
|
|
MZKS-JL-WL-40 |
3×40A 450V |
|
|
MZKS-JL-WL-20 |
3×20A 450V |
|
|
Single-phase rectifier constant current modules
|
MZKD-ZL-WL-2400 |
2400A 450V |
|
MZKD-ZL-WL-1800 |
1800A 450V |
|
|
MZKD-ZL-WL-1200 |
1200A 450V |
|
|
MZKD-ZL-WL-800 |
800A 450V |
|
|
MZKD-ZL-WL-600 |
600A 450V |
|
|
MZKD-ZL-WL-400 |
400A 450V |
|
|
MZKD-ZL-WL-200 |
200A 450V |
|
|
MZKD-ZL-WL-100 |
100A 450V |
|
|
MZKD-ZL-WL-50 |
50A 450V |
|
|
MZKD-ZL-WL-25 |
25A 450V |
Table 2
|
Name |
Type |
Specification |
|
Single-phase AC constant current modules |
MZKD-JL-WL-1800 |
1800A 450V |
|
MZKD-JL-WL-1350 |
1350A 450V |
|
|
MZKD-JL-WL-900 |
900A 450V |
|
|
MZKD-JL-WL-600 |
600A 450V |
|
|
MZKD-JL-WL-450 |
450A 450V |
|
|
MZKD-JL-WL-300 |
300A 450V |
|
|
MZKD-JL-WL-150 |
150A 450V |
|
|
MZKD-JL-WL-75 |
75A 450V |
|
|
MZKD-JL-WL-40 |
40A 450V |
Note:
1、In specification volume, the current is the maximal DC average current or AC virtual current. The voltage is the maximal input virtual line voltage.
2、Special constant current models are only made to order and the current value and precision are complied by customers.
(1) Operating frequency: 50HZ
(2) Input line voltage Vin(RMS) range: 30-450V(AC)
(3) Control voltage VCON range: 0-10V(DC)
(4) Control current: ≤10μA
(5) Unbalanced degree of output voltage: <6%
(6) Temperature coefficient of output voltage: <600PPM/℃
(7) Insulation voltage VISO(RMS): >2500V
Table 3
|
Type |
Output Voltage |
Maximal Input Current per phase |
Maximal Output Current |
Triggering Current |
Working Surface Temperature |
|
|
VOU(AV)or VOUT(RMS) |
IIN(RMS) |
IOUT(AV) or IOUT(RMS) |
IE |
Tc |
||
|
V |
A |
A |
mA |
℃ |
||
|
3-phase rectifier constant current modules |
MZKS-ZL-WL-2400 |
1.35VIN |
1800 |
2400 |
400 |
≤80 |
|
MZKS-ZL-WL-1800 |
1400 |
1800 |
400 |
≤80 |
||
|
MZKS-ZL-WL-1200 |
960 |
1200 |
400 |
≤80 |
||
|
MZKS-ZL-WL-800 |
600 |
800 |
400 |
≤80 |
||
|
MZKS-ZL-WL-600 |
480 |
600 |
400 |
≤80 |
||
|
MZKS-ZL-WL-400 |
320 |
400 |
400 |
≤80 |
||
|
MZKS-ZL-WL-200 |
160 |
200 |
400 |
≤80 |
||
|
MZKS-ZL-WL-100 |
80 |
100 |
400 |
≤85 |
||
|
MZKS-ZL-WL-50 |
40 |
50 |
400 |
≤88 |
||
|
MZKS-ZL-WL-25 |
20 |
25 |
300 |
≤88 |
||
|
3-phase AC constant current modules |
MZKS-JL-WL-1800 |
1.0VIN |
1800 |
3×1800 |
400 |
≤80 |
|
MZKS-JL-WL-1350 |
1350 |
3×1350 |
400 |
≤80 |
||
|
MZKS-JL-WL-900 |
900 |
3×900 |
400 |
≤80 |
||
|
MZKS-JL-WL-600 |
600 |
3×600 |
400 |
≤80 |
||
|
MZKS-JL-WL-450 |
450 |
3×450 |
400 |
≤80 |
||
|
MZKS-JL-WL-300 |
300 |
3×300 |
400 |
≤80 |
||
|
MZKS-JL-WL-150 |
150 |
3×150 |
400 |
≤85 |
||
|
MZKS-JL-WL-75 |
75 |
3×75 |
400 |
≤85 |
||
|
MZKS-JL-WL-40 |
40 |
3×40 |
400 |
≤88 |
||
|
MZKS-JL-WL-20 |
20 |
3×20 |
300 |
≤88 |
||
Table 4
|
Type |
Output Voltage |
Maximal Input Current per phase |
Maximal Output Current |
Triggering Current |
Working Surface Temperature |
|
|
VOUT(AV) or VOUT(RMS) |
IIN(RMS) |
IOUT(AV) or IOUT(RMS) |
IE |
Tc |
||
|
V |
A |
A |
mA |
℃ |
||
|
Single-phase rectifier constant current modules |
MZKD-ZL-WL-2400 |
0.9VIN |
2666 |
2400 |
400 |
≤80 |
|
MZKD-ZL-WL-1800 |
2000 |
1800 |
400 |
≤80 |
||
|
MZKD-ZL-WL-1200 |
1333 |
1200 |
400 |
≤80 |
||
|
MZKD-ZL-WL-800 |
888 |
800 |
400 |
≤80 |
||
|
MZKD-ZL-WL-600 |
666 |
600 |
400 |
≤80 |
||
|
MZKD-ZL-WL-400 |
444 |
400 |
300 |
≤80 |
||
|
MZKD-ZL-WL-200 |
222 |
200 |
300 |
≤80 |
||
|
MZKD-ZL-WL-100 |
111 |
100 |
300 |
≤85 |
||
|
MZKD-ZL-WL-50 |
55 |
50 |
300 |
≤85 |
||
|
MZKD-ZL-WL-25 |
28 |
25 |
300 |
≤88 |
||
|
Single-phase AC constant current modules |
MZKD-JL-WL-1800 |
1.0VIN |
1800 |
1800 |
400 |
≤80 |
|
MZKD-JL-WL-1350 |
1350 |
1350 |
400 |
≤80 |
||
|
MZKD-JL-WL-900 |
900 |
900 |
400 |
≤80 |
||
|
MZKD-JL-WL-600 |
600 |
600 |
400 |
≤80 |
||
|
MZKD-JL-WL-450 |
450 |
450 |
400 |
≤80 |
||
|
MZKD-JL-WL-300 |
300 |
300 |
400 |
≤80 |
||
|
MZKD-JL-WL-150 |
150 |
150 |
400 |
≤85 |
||
|
MZKD-JL-WL-75 |
75 |
75 |
400 |
≤85 |
||
|
MZKD-JL-WL-40 |
40 |
40 |
400 |
≤88 |
||
Table 5
|
Type |
IT(AV) |
VRRM VDRM |
ITSM
|
IRRMIDRM |
Tj |
di/dt |
dv/dt |
|
Tj=125℃ |
Ts=125℃ |
45℃10mA |
Ts=125℃ |
max |
. |
. |
|
|
A |
V |
A |
mA |
℃ |
A/μs |
V/μs |
|
|
MZKS-ZL-WL-800 |
320 |
1200~2200 |
8000 |
20 |
125 |
100 |
500 |
|
MZKS-ZL-WL-600 |
|||||||
|
MZKS-JL-WL-600 |
|||||||
|
MZKS-JL-WL-450 |
|||||||
|
MZKD-ZL-WL-800 |
|||||||
|
MZKD-ZL-WL-600 |
|||||||
|
MZKD-JL-WL-600 |
|||||||
|
MZKD-JL-WL-450 |
|||||||
|
MZKS-ZL-WL-400 |
250 |
6400 |
15 |
||||
|
MZKS-JL-WL-300 |
|||||||
|
MZKS-ZL-WL-200 |
110 |
2200 |
10 |
||||
|
MZKS-JL-WL-150 |
|||||||
|
MZKD-ZL-WL-400 |
200 |
5000 |
15 |
||||
|
MZKD-JL-WL-300 |
|||||||
|
MZKD-ZL-WL-200 |
100 |
1800 |
10 |
||||
|
MZKD-JL-WL-150 |
|||||||
|
MZKS-ZL-WL-100 |
50 |
1200~1800 |
1100 |
10 |
|||
|
MZKS-JL-WL-75 |
|||||||
|
MZKD-ZL-WL-100 |
|||||||
|
MZKD-JL-WL-75 |
[
詞匯翻譯:
輸出: Output
輸入: Input
移相調(diào)控器:Phase-shift controller
電流設定: Initialization current
穩(wěn)流輸出信號:Constant current signal output
控制信號輸入: Control signal input
地:GND
]
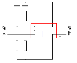
1. Single-phase rectifier constant current modules
|
|
2. Single-phase AC constant current modules
|
|
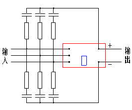
3、3-phase rectifier constant current modules
|
|
4、3-phase AC constant current modules
|
|
[
詞匯翻譯:
輸出: Output
輸入: Input
分流器:Current tap
]
1、Single-phase rectifier constant current modules
|
|
2、Single-phase AC constant current modules
3、3-phase rectifier constant current modules
4、3-phase AC constant current modules
1.Modules type selection:
Current of choosed modules must be two times than maximal current of load in order to make equipments safely work.
2. Environment required:
Modules must be worked or stored in places that are dried, ventilated, dusty-less and have no corrosive gases. Atmosphere temperature required varies from -25℃ to +45℃.
3.Installation steps
(1) Install radiators and wind machines in order to accord with cooling requirement. The surface of radiators must be plat and clean. A layer of thermal conductive silica gel must be laid equably between the module thermal conductive bagaplates and the surface of radiators. Then screw modules on radiators with equal strength.
(2) Mutliple section copper wires must be used to connect with modules because of their large current. Aluminium wires are prohibited. Wire section is selected according to current density(<4A/mm2). Must’t connect copper wires with module poles directly.
(3) Tie up copper wires with junction nose rings for fear of additional quantity of heat caused by bad connection, then place insulative pyrocondensation cannula on wires and make them shrink with hot wind or water. Screw junction noses in module poles and make them connected well in their surface.
(4) Don’t lift up poles for fear of breaking off poles.
(5) Specification , color and function of control port pins, see table 6 and figure 9-10.
[
詞匯翻譯:
輸出: Output 輸入: Input
電流設定: Initialization current
穩(wěn)流輸出信號:Constant current signal output
控制信號輸入: Control signal input
地:GND
]

Fig.9 five-pin socket specification Fig.10 fifteen-pin socket Specification
Table 6
|
function |
color |
five-pins socket |
fifteen-pin socket |
|
+12V |
red |
5 |
1 |
|
GND |
Black |
4 |
2 |
|
control signal input |
black |
3 |
3 |
|
constant current signal output |
yellow |
2 |
4 |
|
initialization current |
orange |
1 |
5 |
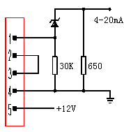
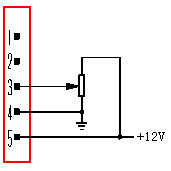
Hand control(using resistors)interface, computer control interface and instrument control interface, see figure 11-13.
[
翻譯說明
計算機D/A輸出(0-10V): computer D/A output (0-10V)
]
|
|
Fig.11 hand control interface Fig.12 computer control interface
Fig.13 instrument control interface(regulator diode: 2.4v- 2.7v)
4、Constant current using method
(1)Connect with constant current signal output and control signal input. The value of constant current voltage.can be changed through adjusting the resistor. Then output current we want is constant.
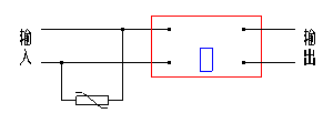
(2)The output current is not constant when we disconnect constant current signal output and control signal input. Now the module works as a fully controlling voltage regulated module. Change the value of control signal input can regulate output voltage of the module through adjusting resistor. See figure 14.
|
|
Fig.14 fully controlling voltage regulated connection
1.Over-current protection
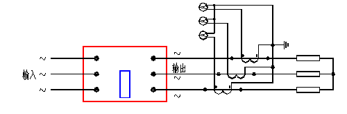
The simplest protection method is to connect quick fuses outside of modules. Quick fuses are connected in AC input sides(See figure 15-16).The rated voltage of selected quick fuses must be greater than that of working voltage in circuits. About rated voltage, see table 7.
[
翻譯說明
[輸出: Output
輸入: Input
]

Fig.15 3-phase modules Fig.16 single-phase modules
Table 7 current selection of fuses
|
Module type |
Rated current of refuses |
Module type |
Rated current of refuses |
|
MZKS-ZL-WL-2400 |
1200 |
MZKD-ZL-WL-2400 |
960 |
|
MZKS-JL-WL-1800 |
MZKD-JL-WL-1800 |
||
|
MZKS-ZL-WL-1800 |
900 |
MZKD-ZL-WL-1800 |
720 |
|
MZKS-JL-WL-1350 |
MZKD-JL-WL-1350 |
||
|
MZKS-ZL-WL-1200 |
480 |
MZKD-ZL-WL-1200 |
480 |
|
MZKS-JL-WL-900 |
MZKD-JL-WL-900 |
||
|
MZKS-ZL-WL-800 |
400 |
MZKD-ZL-WL-800 |
320 |
|
MZKS-JL-WL-600 |
MZKD-JL-WL-600 |
||
|
MZKS-ZL-WL-600 |
300 |
MZKD-ZL-WL-600 |
240 |
|
MZKS-JL-WL-450 |
MZKD-JL-WL-450 |
||
|
MZKS-ZL-WL-400 |
160 |
MZKD-ZL-WL-400 |
160 |
|
MZKS-JL-WL-300 |
MZKD-JL-WL-300 |
||
|
MZKS-ZL-WL-200 |
80 |
MZKD-ZL-WL-200 |
80 |
|
MZKS-JL-WL-150 |
MZKD-JL-WL-150 |
||
|
MZKS-ZL-WL-100 |
40 |
MZKD-ZL-WL-100 |
40 |
|
MZKS-JL-WL-75 |
MZKD-JL-WL-75 |
||
|
MZKS-ZL-WL-50 |
25 |
MZKD-ZL-WL-50 |
25 |
|
MZKS-JL-WL-40 |
MZKD-JL-WL-40 |
||
|
MZKS-ZL-WL-25 |
16 |
MZKD-ZL-WL-25 |
16 |
|
MZKS-JL-WL-20 |
. |
2、Over-voltage protection
Resistor-capacitor absord and press-sensitive resistor method is recommended to used together in order to realize over-voltage protection.
(1)Resistor-capacitor absord circuits can restrain over-voltage produced by thyristors when they vary form connection to shutoff. It can effectively avoid breaking down of modules. About electrical circuits, see figure 17-20. About the value of resistors and capacitors, see table 8-9.
[
翻譯說明
[輸出: Output
輸入: Input
]
Fig.17 3-phase rectifier constant current modules Fig.18 single-phase rectifier constant current modules

Fig.19 3-phase AC constant current modules Fig.20 single-phase AC constant current modules
Table 8
|
name |
type |
R(Ω/W) |
C(μF/630V) |
quantity |
|
3-phase rectifier constant current modules |
MZKS-ZL-WY-2400 |
4/20 |
0.68 |
each 18 |
|
MZKS-ZL-WY-1800 |
||||
|
MZKS-ZL-WY-1200 |
||||
|
MZKS-ZL-WY-800 |
each 6 |
|||
|
MZKS-ZL-WY-600 |
||||
|
MZKS-ZL-WY-400 |
||||
|
MZKS-ZL-WY-200 |
8/10 |
0.32 |
each 6 |
|
|
MZKS-ZL-WY-100 |
30/6 |
0.22 |
each 6 |
|
|
MZKS-ZL-WY-50 |
60/3 |
0.22 |
each 6 |
|
|
MZKS-ZL-WY-25 |
||||
|
3-phase AC constant current modules |
MZKS-JL-WY-1800 |
4/20 |
0.68 |
each 9 |
|
MZKS-JL-WY-1350 |
||||
|
MZKS-JL-WY-900 |
||||
|
MZKS-JL-WY-600 |
each 3 |
|||
|
MZKS-JL-WY-450 |
||||
|
MZKS-JL-WY-300 |
||||
|
MZKS-JL-WY-150 |
8/10 |
0.32 |
each 3 |
|
|
MZKS-JL-WY-75 |
30/6 |
0.22 |
each 3 |
|
|
MZKS-JL-WY-40 |
60/3 |
0.22 |
each 3 |
|
|
MZKS-JL-WY-20 |
Table 9
|
name |
type |
R(Ω/W) |
C(μF/630V) |
quantity |
|
single-phase rectifier constant current modules |
MZKD-ZL-WY-2400 |
4/20 |
0.68 |
each 12 |
|
MZKD-ZL-WY-1800 |
||||
|
MZKD-ZL-WY-1200 |
||||
|
MZKD-ZL-WY-800 |
each 4 |
|||
|
MZKD-ZL-WY-600 |
||||
|
MZKD-ZL-WY-400 |
||||
|
MZKD-ZL-WY-200 |
8/20 |
0.32 |
each 4 |
|
|
MZKD-ZL-WY-100 |
30/6 |
0.22 |
each 4 |
|
|
MZKD-ZL-WY-50 |
60/3 |
0.22 |
each 4 |
|
|
MZKD-ZL-WY-25 |
||||
|
single-phase AC constant current modules |
MZKD-JL-WY-1800 |
4/20 |
0.68 |
each 3 |
|
MZKD-JL-WY-1350 |
||||
|
MZKD-JL-WY-900 |
||||
|
MZKD-JL-WY-600 |
each 1 |
|||
|
MZKD-JL-WY-450 |
||||
|
MZKD-JL-WY-300 |
||||
|
MZKD-JL-WY-150 |
8/10 |
0.32 |
each 1 |
|
|
MZKD-JL-WY-75 |
30/6 |
0.22 |
each 1 |
|
|
MZKD-JL-WY-40 |
60/3 |
0.22 |
each 1 |
(2) Press-sensitive resistors can absorb over-voltage which have more energy and last more time produced by thunder. About electrical circuits, see figure 21-22.The voltage value in press-sensitive resistors varies from 710V to 1000V, that is 710≤V1mA≤1000V.
[
翻譯說明
[輸出: Output
輸入: Input
]

Fig.21 3-phase circuits Fig.22 single-phase circuits
3. Selection of radiators
Radiators must be used during modules work because modules will produce much heat caused by the voltage difference in modules. Reliability and safety are directly depended on conditions of heat emanating.
Generally, there are three ways of heat emanating: water-cooling, forced wind-cooling and natural cooling. In the first place water-cooling is choosed for it’s good cooling effectivity if we can use. Forced wind-cooling is the commonest way used to emanate heat ,but wind velocity of axis stream wind machines must be great than 6m/s. Natural cooling is seldom used because of its bad cooling effectivity and large cubage. We must make air convect better surround radiators if natural cooling is used.
We list types and length of radiators that required by different types of modules when modules work in condition of rated current and 40℃ atmosphere temperature so that a reference is given for customers. The length of radiator may reduce if modules work below full-load.
Table 10 selection of radiators
|
Module type |
Radiator type |
Rediator length(mm) |
Axis stream wind machine |
||
|
Forced wind-cooling |
Natural cooling |
||||
|
MZKS-ZL-WL-2400 |
DXC-573 |
1800 |
. |
AC220V/50Hz/100w |
|
|
MZKS-JL-WL-1800 |
|||||
|
MZKS-ZL-WL-1800 |
1200 |
. |
|||
|
MZKS-JL-WL-1350 |
|||||
|
MZKS-ZL-WL-1200 |
900 |
. |
AC220V/50HZ/44w 220×220×60 |
||
|
MZKS-JL-WL-900 |
|||||
|
MZKD-ZL-WL-2400 |
|||||
|
MZKD-JL-WL-1800 |
|||||
|
780 |
. |
||||
|
MZKD-ZL-WL-1800 |
|||||
|
MZKD-JL-WL-1350 |
|||||
|
MZKD-ZL-WL-1200 |
|||||
|
MZKD-JL-WL-900 |
|||||
Table 11
|
Module type |
Radiator type |
Rediator length(mm) |
Axis stream wind machi |
|
|
Forced wind-cooling |
Natural cooling |
|||
|
MZKS-ZL-WL-800 |
DXC-573 |
600 |
. |
AC220V/50Hz/44W 220×220×60 |
|
MZKS-JL-WL-600 |
||||
|
MZKS-ZL-WL-600 |
400 |
. |
||
|
MZKS-JL-WL-450 |
||||
|
MZKS-ZL-WL-400 |
300 |
. |
||
|
MZKS-JL-WL-300 |
||||
|
MZKD-ZL-WL-800 |
||||
|
MZKD-JL-WL-600 |
||||
|
MZKD-ZL-WL-600 |
260 |
. |
||
|
MZKD-JL-WL-450 |
||||
|
MZKS-ZL-WL-200 |
DXC-578 |
300 |
. |
AC220V/50Hz/38W 172×150×51 |
|
MZKS-JL-WL-150 |
||||
|
MZKD-ZL-WL-400 |
||||
|
MZKS-ZL-WL-100 |
200 |
. |
||
|
MZKS-JL-WL-75 |
||||
|
MZKD-JL-WL-300 |
||||
|
MZKD-ZL-WL-200 |
||||
|
MZKS-JL-WL-40 |
160 |
. |
AC220V/50Hz/10W 120×120×38 |
|
|
MZKS-ZL-WL-50 |
||||
|
MZKD-ZL-WL-100 |
||||
|
MZKD-JL-WL-150 |
||||
|
MZKS-ZL-WL-25 |
. |
120 |
. |
|
|
MZKS-JL-WL-20 |
. |
. |
||
|
MZKD-JL-WL-75 |
. |
. |
||
|
MZKD-ZL-WL-50 |
. |
. |
||
|
MZKD-ZL-WL-25 |
. |
. |
||
|
MZKD-JL-WL-40 |
DXC-721 |
. |
80 |
. |
|
MZKD-JL-WL-20 |
. |
. |
||
About shape and dimension of radiators, see figure 23-24.

Fig.23 DXC-578
Fig.24 DXC-573
1.Modules are commonly prohibited to work with large current when voltage is small. If we do so it will make modules produce more heat and maybe destroy modules because the lead angle is small. The virtual current value is not large even through the peak current value of thyristors is very large. It is recommended that modules work with large current in the condition of a large lead angle.
2.The signal input voltage of common constant current modules varies from 0V to 10V(or 0~12V).It can be gotten directly from the center junction of a resistor when the resistor is connected to a 12V power supply.
3. The temperature of modules(measurement points are in the surfaces of radiators which contact with bagaplates of modules tightly and are near the center of modules)should be less than 70℃ when modules work in a stable thermal status, otherwise it will destroy modules.
4.Control port required: voltage of power supply is 12V and current is great than 1A.Pay attention not to connect reversely, otherwise it will destroy modules. Resistor value is 10KΩ and the power is greater than 1W.
5.Don’t use modules to isolate electric network and people bodies. Air switchs should be installed before modules to ensure people’s safety.
6. Take and lay modules lightly to avoid strong knock and shock when modules are transferred and installed.
7. The content of charts and tables in this specification is only a reference for customers.
Append: Shape and dimension of radiators(mm)
Table 12
|
Module type |
L1 |
L2 |
L3 |
B1 |
B2 |
B3 |
h |
4-Φ6-Φ |
|
MZKS-ZL-WL-2400 |
74 |
160 |
185 |
129 |
195 |
220 |
70 |
8.5 |
|
MZKS-JL-WL-1800 |
||||||||
|
MZKS-ZL-WL-1800 |
||||||||
|
MZKS-JL-WL-1350 |
||||||||
|
MZKD-ZL-WL-2400 |
||||||||
|
MZKD-JL-WL-1800 |
||||||||
|
MZKD-ZL-WL-1800 |
||||||||
|
MZKD-JL-WL-1350 |
||||||||
|
MZKS-ZL-WL-800 |
||||||||
|
MZKS-JL-WL-600 |
||||||||
|
MZKS-ZL-WL-600 |
||||||||
|
MZKS-JL-WL-450 |
||||||||
|
MZKD-ZL-WL-800 |
||||||||
|
MZKD-JL-WL-600 |
||||||||
|
MZKD-ZL-WL-600 |
||||||||
|
MZKD-JL-WL-450 |
|
MZKS-ZL-WL-200 |
74 |
154 |
174 |
74 |
99 |
120 |
68 |
8.5 |
|
MZKS-JL-WL-900 |
||||||||
|
MZKD-ZL-WL-1200 |
||||||||
|
MZKD-JL-WL-900 |
||||||||
|
MZKS-ZL-WL-400 |
||||||||
|
MZKS-JL-WL-300 |
||||||||
|
MZKD-ZL-WL-400 |
||||||||
|
MZKD-JL-WL-300 |
||||||||
|
MZKS-ZL-WL-200 |
40 |
102 |
116 |
41 |
60 |
74 |
41 |
6.2 |
|
MZKS-JL-WL-150 |
||||||||
|
MZKD-ZL-WL-200 |
||||||||
|
MZKD-JL-WL-150 |
||||||||
|
MZKS-ZL-WL-100 |
32 |
79 |
92 |
32 |
48 |
61 |
42 |
5.2 |
|
MZKS-JL-WL-75 |
||||||||
|
MZKD-ZL-WL-100 |
||||||||
|
MZKD-JL-WL-75 |
||||||||
|
MZKS-ZL-WL-50 |
||||||||
|
MZKS-JL-WL-40 |
||||||||
|
MZKD-ZL-WL-50 |
||||||||
|
MZKD-JL-WL-40 |
||||||||
|
MZKS-ZL-WL-25 |
||||||||
|
MZKS-JL-WL-20 |
||||||||
|
MZKD-ZL-WL-25 |